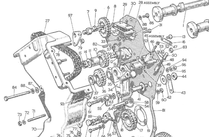
PART NO. SPL.PAGE DESCRIPTION
AEH375 TC.A.9 Stud, camshaft sprocket support plate (4) -(case front timing,
camshaft, engine, Twin Cam)
AEH376 TC.A.10 Plate -camshaft sprocket support (2) -(camshaft, engine, Twin Cam)
AEH411 TC.A.8 Sprocket for camshaft (2) -(camshaft, engine, Twin Cam)
AEH412 TC.A.8 Spindle for sprocket (2) -(camshaft, engine, Twin Cam)
AEH413 TC.A.8 Bolt for sprocket (4) -(camshaft, engine, Twin Cam)
FNN105 TC.A.9 Nut for stud (4) -(camshaft sprocket support plate, case front timing,
camshaft, engine, Twin Cam)
AEH375 Stud is item #78 below (4). It carries the cam sprocket support plate #97, which in turn holds the spindle #7 when the sprocket is moved forward for adjusting cam timing (Twin Cam engine).
High strength stud
Length 1-1/4"
Top end thread = 5/16-24-UNF x 5/8" long
Bottom end thread = 15/16-18-UNC x 15/32" long
Notice these studs are cross drilled for safety wire. Also the FNN105 nut that goes on this stud (#79 belew) is specified as a standard flat nut, not a locking nut, and no lock washer.

|